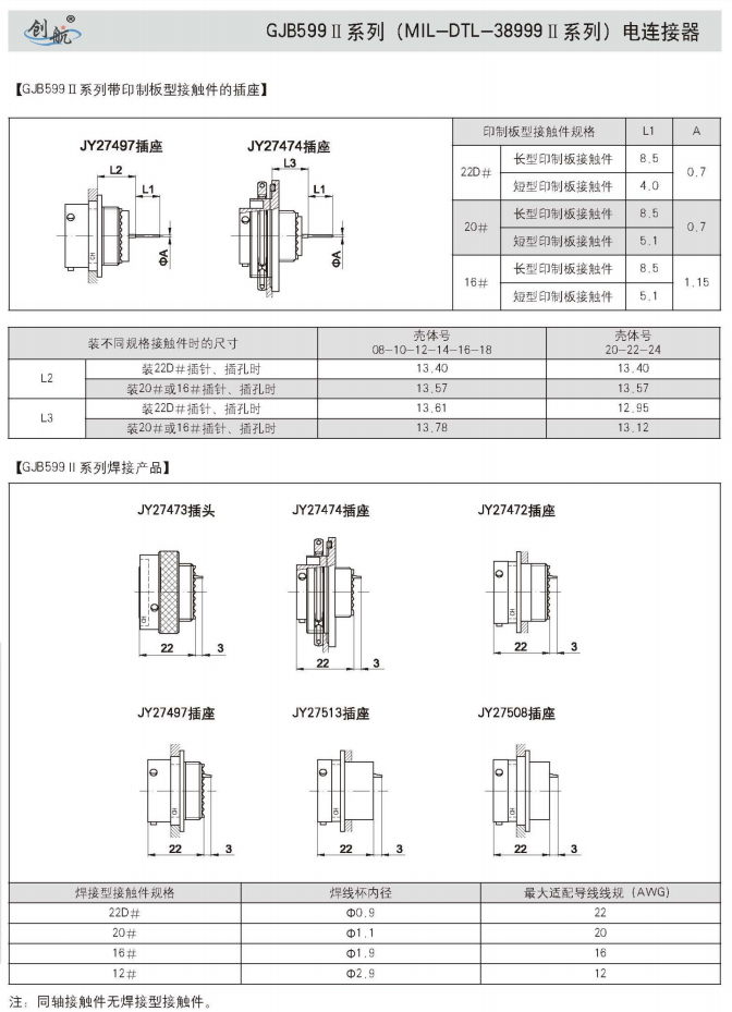
GJB599Ⅱ系列
發布時間:2023-04-19 | 點擊量:1522
詳細說明:
符合GJB599A(MIL-DTL-38999K)Ⅱ系列
卡口式快速連接,體積zui小,重量zui輕,殼體zui短,EMI/RFI屏蔽
接觸件壓接可取卸,防斜插設計
插座有盒式、墻式、前裝、后裝及螺母緊固式安裝等多種形式
電連接器為輕型,適用于不承受高強度振動或不經受惡劣風砂和潮濕的場合下使用
插合面界面及尾部具有密封結構,三防性能優良
廣泛應用于航空、航天及軍事系統














